Каминная топка Spartherm Arte BH
fdfe0cce1999
Доставка в Воронеж
Удобство оплаты
Почему звонить в Очаг уже сейчас?
- Единая цена по всей России
- Бесплатная доставка
- Понимаем любой бюджет
- Считаем ВСЕ варианты
- Инструкции и видео для Монтажа
- Доступно, Оперативно, Профессионально
- Более 2 000 монтажей за 17 лет
Примеры работ #Степан_Знает
Видео галерея
Описание
Характеристики
Общие
Производитель:
Страна-производитель:
Германия
Остекление:
Материал корпуса:
Материал топки:
- Керамика
Конструкция топки:
Размеры
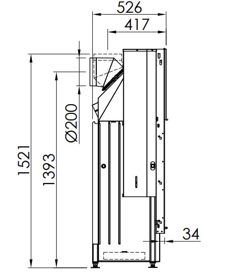
Диаметр дымохода:
200 мм
Общая ширина:
823 мм
Общая глубина:
526 мм
Общая высота:
1521 мм
Общий вес:
287 кг
Ширина рамки:
656 мм
Производительность
Мощность:
11 кВт
КПД:
78%
Площадь отопления:
110 м²
Объем отопления:
275 м³
Использование для отопления:












